このサイトはワールド工業をスポンサーとして、Zenken株式会社が運営しています。
工場の環境改善に、
環境対策に、品質管理に!
実は、用途は無限大
「シートシャッター大全」について
シートシャッターの可能性や幅を広めていくことを使命としている、“日本一シートシャッターに詳しい”を目指しているメディアです。
事例の監修・スポンサーは、2023年1月現在で唯一(当サイト調べ)、オーダーメイドシートシャッターを設計・製造・販売・施工・メンテナンスまで一貫対応しているワールド工業、制作・運営はZenken株式会社が行っております。
一般的なスチールシャッターとは異なり、ビニールやポリエステルなどのシート素材で作られたシャッターのことです。
スチールシャッターでは実現できないスピードで開閉が行われるため、資材や製品の搬入搬出、人の出入りが頻繁な箇所など、開閉の頻度が多い開口部で使用されます。
シート素材のため、一般的なシャッターよりも静かなことに加え、防虫・防塵・防寒効果もあり、職場環境の改善にも役立つというメリットがあります。
さらに異物混入防止・省エネ・空調効率アップなどの特徴も持っており、工場や倉庫の出入口に適しています。
スチールシャッター

開閉に時間がかかってしまう...
出入りの際にスチールシャッターが開くのを待つ、時間のロスが発生してしまいます。ただ、開けっ放しにすると外から砂塵が入ってきたり、中の音が漏れてしまうなどのデメリットも。そのため頻繁に開け閉めるする場所には不向きです。
シートシャッター

軽い素材のため高速開閉かつ静音!
開閉時間が短いことで、砂塵や虫の侵入を低減。もちろん外気の入り込みも最低限になるため、空調効率UPを叶えて作業環境の防寒・防暑対策にもなります。工場内の作業音も漏れにくくなるため、周辺環境への影響も減らせます。
開け閉めするだけではないシートシャッターのメリットを知ることで
自社の課題が改善できる可能性が大いにあります。
たとえば電気代高騰が叫ばれる昨今、シートシャッターによる電気代の減少や、会社の社会的イメージが株価を左右するSNS時代に、外部に臭いやごみを出さないことも重要です。
シートシャッターが、貴社工場のSDGsの一翼を担う未来が、きっと見えるはず。
シートシャッターのメリットは多岐にわたります。
複数メーカーのシートシャッターの価格を独自調査したところ、相場は約188万円でした。シートシャッターの価格は機能・サイズ・素材によって大きく変わるため、目的に合ったシートシャッターを選びましょう。
実際に、シートシャッターによって課題が
解決できた現場をご紹介します。
Case-01
ゴミ処理場、汚染土壌のリサイクル工場や食品他残渣を堆肥化する施設では、どうしても悪臭が発生します。その匂いが外に極力漏れないためにも、開閉動作の効率化が求められるので、シートシャッターはうってつけ。
Case-02
一般道都面している産廃処理場。人の立ち入りや、石灰が飛散することを防ぐ必要がありました。機械を稼働させるには過酷な現場環境ですが、駆動箇所に埃や水が入らない構造のシートシャッターであれば、問題なく使用できます。
Case-03
主要出入口の内外を隔てることを目的に設置されましたが、海沿いに位置する工場なので強風対策は必須。過去の大型台風では、風に弱い弱点を持つシートシャッターの多くが壊れて稼働できなくなる中、ワールド工業のシートシャッターが生き残ったという、その理由とは。
Case-04
雨水侵入防止効果と騒音対策を兼ね備えた、シートシャッターの技術を応用した可動式の水平屋根。大きく重量がある機械などの搬入・搬出のために大開口が求められました。
シートシャッターの活用場面を紹介しています。シートシャッターは結露や火事、煙、虫、塵、騒音、悪臭などの対策として適しており、工場内の結露防止と庫内温度の管理、製品や設備機器の品質維持に役立ちます。ぜひ参考にしてください。
当サイトの事例紹介は、すべてワールド工業社の「ロールウエイ(ROLLWAY)シリーズ」です。1982年に誕生したシートシャッターで、シンプルな構造が実現した耐久性や保全性が特徴で、製造ラインを止めるリスクが少ないシャッターです。


シンプルな構造を追求した
結果の巻き上げ式
シートシャッターに故障が発生すると、製造ラインが止まる危険性があります。そのリスクを最大限低くするために、壊れにくいシンプルな構造を1987年のシートシャッター開発以来、追求し続けています。
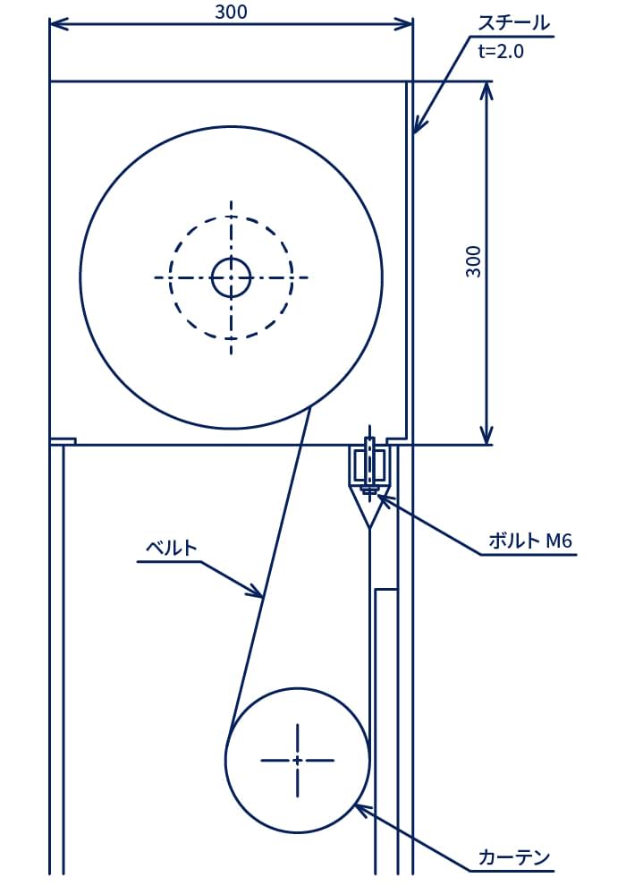
その結果、行きついたのがベルト巻き上げ式の構造です。巻き上げて、下ろすときはシャッターに入っている金属製のポールの自重によって閉じるので、モーターの消費電力が半減し、持ちが良くなるというメリットもあります。
堅牢性と俊敏さを兼ね備えた作り
駆動箇所に埃や水が入らない構造になっているので、粉塵の舞うようなハードな現場でも問題なく使用できます。
また、シャッターに内蔵されているポールは耐風効果もあり、「軽くて柔い」というシートシャッターの弱点を見事にクリアしています。
このように丈夫さを意識しつつも、開閉は1秒で約1mというスピードも兼ね備えています。

一貫対応かつ、エリア制の担当がいるので、何かあった際も原因の究明や代替品準備、修理などがスピード感を持って対応してもらえます。
一番避けたい「工場のラインが止まる」ことの対策にもなるでしょう。

シンプルな構造と、部品供給の流れに左右されないように代替品対応可能な設計になっています。
何かあっても、応急処理による復旧が可能で、開口が使えないとか、生産性を落とすようなことを避けられます。

シートシャッターのサイズは決まっていることが多いので、自社に使いたくても使えないタイプだった、ということがあるかもしれません。しかしワールド工業ではオーダーメイドが可能で、かつ課題を相談すれば、シートシャッターだけではない、シーンに応じた適切な提案を行ってくれます。

元々シートシャッターはスピード開閉が特徴ですが、ロールウエイの場合ベルト巻上式なので、閉めるときはシャッターの自重で落とすだけなので、早くてバッテリーの持ちも良いのが大きなメリットです。


ワールド工業が得意としているのが既存の枠にとどまらない提案。既存のシャッターの課題だけではなく、「こういった環境にしたい」「こんな環境が課題だ」ということを相談すると、適した解決策を提案してくれます。

「英知と創造力を結集し世界のお客様に満足いただける価値を提供します」を経営理念に掲げ、1974年に創業。
金型設計から生産設備に至るまで自社の技術にこだわり、シートシャッター以外にも工場内間仕切り用シャッターや鋼板ユニット式「ハト小屋」などを開発・製造しています。
シートシャッターについて、相場や耐用年数など設置するうえで知っておきたい知識について紹介しています。
シートシャッターと他のシャッタータイプの詳細な比較と特徴を紹介しています。各シャッターの使用目的や設置環境に応じた性能や特性を比較し、防犯性、耐火性、耐久性、操作性など、多角的な視点から解説。用途に合わせて適切なシャッター選びができる情報をまとめました。